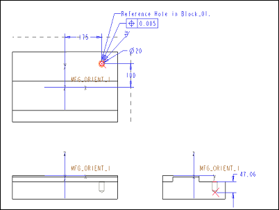
详细绘图 > 定义绘图布局 > 使用制造绘图 > 示例:孔加工步骤工艺卡
  
示例:孔加工步骤工艺卡