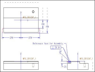
详细绘图 > 定义绘图布局 > 使用制造绘图 > 示例:2 轴轨迹铣削步骤工艺卡
  
示例:2 轴轨迹铣削步骤工艺卡