|
翻转
|
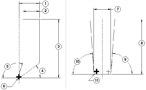
车削槽
|
|
|
NOSE_RADIUS
|
·
|
·
|
|
TOOL_WIDTH
|
·
|
·
|
|
SIDE_WIDTH
|
·
|
|
|
LENGTH
|
·
|
·
|
|
SIDE_ANGLE
|
·
|
·
|
|
END_ANGLE
|
·
|
·
|
|
GAUGE_X_LENGTH
|
·
|
·
|
|
GAUGE_Z_LENGTH
|
·
|
·
|
|
TOOL_MATERIAL
|
·
|
·
|
|
HOLDER_TYPE
|
·
|

铣削 | 侧铣 | 螺纹铣削 | 坡口 | |
CUTTER_DIAM | · | · | · | · |
CORNER_RADIUS | · | · | · | |
CUTTER_WIDTH | · | |||
SHANK_DIAM | · | |||
LENGTH | · | · | · | · |
INSERT_LENGTH | · | |||
END_OFFSET | · | |||
SIDE_ANGLE | · | · | ||
GAUGE_X_LENGTH | · | · | ||
GAUGE_Z_LENGTH | · | · | · | |
NUM_OF_TEETH | · | · | · | |
TOOL_MATERIAL | · | · |





辅助 | 轮廓加工 | |
CUTTER_DIAM | · | · |
LENGTH | · | · |
钻孔 | 沉头孔 | 丝锥 | 铰孔 | 中心钻 | 镗孔 | 背面定位钻孔 | |
CUTTER_DIAM | · | · | · | · | · | · | · |
POINT_DIAMETER | · | · | · | ||||
DRILL_DIAMETER | |||||||
BODY_DIAMETER | · | ||||||
LENGTH | · | · | · | · | · | · | · |
CHAMFER_LENGTH | · | ||||||
DRILL_LENGTH | · | ||||||
INSERT_LENGTH | · | ||||||
TIP_OFFSET | · | ||||||
GAUGE_OFFSET | · | ||||||
CUTTING_OFFSET | · | ||||||
SIDE_ANGLE | · | ||||||
POINT_ANGLE | · | · | · | ||||
CSINK_ANGLE | · | · | |||||
GAUGE_X_LENGTH | · | · | · | · | · | · | · |
GAUGE_Z_LENGTH | · | · | · | · | · | · | · |
TOOL_MATERIAL | · | · | · | · | · | · | · |



