制造 > 孔加工 > 示例:背面定位钻孔
  
示例:背面定位钻孔
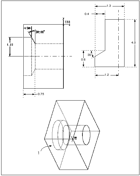
下图显示根据待加工几何设置“背面定位钻孔”刀具并为“背面钻孔”NC 序列指定起始和终止深度的一个示例。
1. 为刀具参数指定下列值:
Cutter_Diam 2.4
Length 4
Csink_Angle 30
Cutting_Offset 0.4
Body_Diameter 1.3
Insert_Length 0.6
2. 选择隐藏曲面 (1) 作为起始曲面。
3. 键入偏移值 0.75 以指定钻孔深度。
下图显示生成的刀具运动序列。
对于“背面沉头孔”钻孔,必须指定起始曲面和沉头孔直径,类似于常规沉头孔钻孔。下图显示使用与前一示例相同的刀具执行“背面沉头孔”NC 序列。
1. 选择面 (1) 作为起始曲面(类似于前一示例)。
2. 键入沉头孔直径 2.2
也可以对“背面沉头孔”钻孔使用“自动倒角”(Auto Chamfer) 选项,此时,系统将自动包括可使用当前刀具加工倒角的所有孔,即,倒角角度与刀具的 Csink_Angle 相对应。