制造
>
车削
>
示例:区域车削表面
示例:区域车削表面
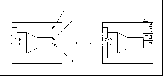
下图给出了在参考模型上区域车削表面的示例。在中心线 (表示车削轴) 上方定义“车削轮廓”(1)。按照如下方法指定
“延伸”(Extensions)
:
“X 正向”(Positive X)
(2) 和
“无”(None)
(3)。