制造 > 车削 > 示例:区域车削外侧曲面
  
示例:区域车削外侧曲面
以下例子说明了参考模型外表面的“区域”车削。在此例中,通过调整“自动切削”运动的“端点”,切削区域延伸越过参考模型的曲面边界。
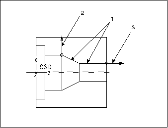
1. 通过选择参考零件 (1) 的曲面来定义“车削轮廓”,并按下图所示指定车削扩展:“X 正向”(Positive X) (2) 和“Z 正向”(Positive Z) (3)。
2. “区域车削”(Area Turning Cut) 对话框的“选项”(Options) 中,输入“起点”(Start)“终点”(End) 的值。选择切削终点并向左延伸“车削轮廓”,如下图所示,然后单击“确定”(OK)
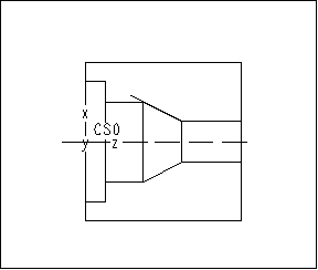
生成的刀具路径如下图所示。