钣金件 > 在钣金件设计中进行设计 > 创建和修改壁 > 连接壁 > 使用用户定义的壁形状 > 关于用户定义的壁形状
  
关于用户定义的壁形状
平整壁和分离壁可以是标准形状、用户定义的形状或预定义的形状。创建用户定义的草绘时,可以在工作目录和其它指定的位置将草绘保存为 .sec 文件,这样就可以使用“形状”(Shape) 选项卡重新调用它,将其作为预定义壁形状。
 
* 访问参考已删除草绘的壁时,将出现一条消息,指明该特征使用草绘的内部副本。
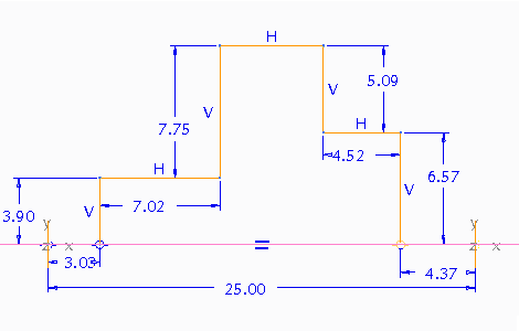
预定义的平整壁草绘
预定义的平整壁草绘必须具有以下特性:
带有两个坐标系的水平中心线。
用作平整形状的连续开放环。
环的末端必须位于中心线上。
两坐标系之间的尺寸。
下图显示了平整壁草绘的示例:
预定义的法兰壁草绘
法兰壁有一个决定其形状的打开草绘。它有一个作为第一图元的坐标系和一个连续开放环。下图显示了法兰壁草绘的示例: